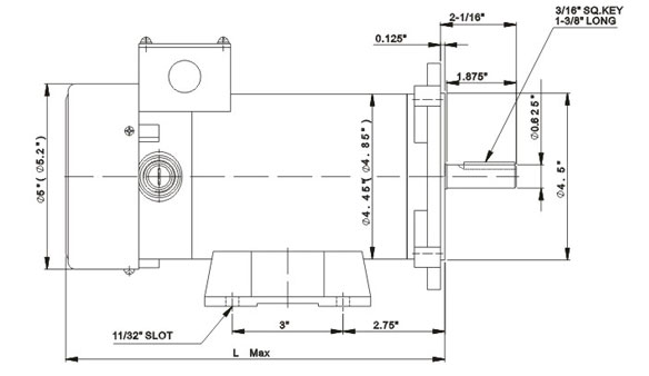
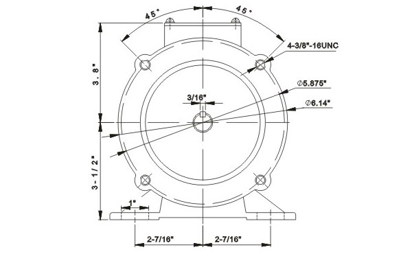
123ZYT
113ZYT
113ZYT-113ZYT-123
100ZYT
Products / DC MOTOR /
DC MOTOR
113ZYT-113ZYT-123