8H2
11H2
14H2
14H4
17H2
17H4
23H2
23H4
23H3 3phase
34H2 2phase
34H5 5phase
34H3 3phase
42H2 2phase
42H3 3phase
Products / Step motor /
HB step motor
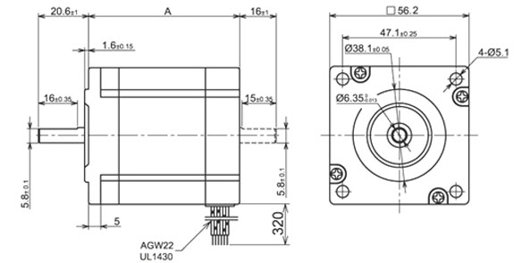
23H4