15BY & 20BY
25BY
35BY
42BY
57BY
pm step geared motor
Linear stepping motor
Products / Step motor /
PM step motor
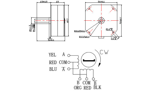
57BY